Arduino управление двигателем 12В 7.5А изменением полярности

Обсуждаем Arduino, Raspberry Pi и другие электронные компоненты и проекты DIY
Ответить
Валентин
Сообщения: 5
Зарегистрирован: 22 май 2013, 15:30

Arduino управление двигателем 12В 7.5А изменением полярности

Сообщение Валентин »

Добрый день. Помогите новичку оживить устройство. Есть двигатель 12В 7.5А от отечественного авто. Купил к нему блок питания 12В 12.5А. Хочу купить контроллер Arduino UNO, ИК-диод для управления с ТВ пульта. При выборе платы расширения возникли вопросы. Буду очень признателен если кто поможет разобраться.
1. В тех. характеристиках Arduino указанно питание 7-12 В. Могу ли я использовать блок для питания Arduino с диапазоном от 11-14В 12.5А.
2. Какую плату расширения приобрести для моей задачи в комплекте с Arduino для управления двигателем 7.5А или проще собрать из тех же автомобильных релюх?
Аватара пользователя
Mr.Kubikus
Сотрудник ПАКПАК
Сообщения: 1029
Зарегистрирован: 22 окт 2010, 23:57

Re: Arduino управление двигателем 12В 7.5А изменением полярн

Сообщение Mr.Kubikus »

Привет!

Требуется ли вам плавно регулировать скорость вращения мотора?
С уважением, Григорий
GitHub FB ВК
Валентин
Сообщения: 5
Зарегистрирован: 22 май 2013, 15:30

Re: Arduino управление двигателем 12В 7.5А изменением полярн

Сообщение Валентин »

Mr.Kubikus писал(а):Привет!

Требуется ли вам плавно регулировать скорость вращения мотора?
Было бы не плохо если бы была возможность регулирования. Но можно и без нее.
Аватара пользователя
Mr.Kubikus
Сотрудник ПАКПАК
Сообщения: 1029
Зарегистрирован: 22 окт 2010, 23:57

Re: Arduino управление двигателем 12В 7.5А изменением полярн

Сообщение Mr.Kubikus »

Если требуется плавное регулирование скорости, то нужна плата с силовыми ключами и поддержкой ШИМ наподобие Monster Moto Shield. Если только вкл/выкл, то достаточно релюхи соответствующего номинала.
С уважением, Григорий
GitHub FB ВК
Валентин
Сообщения: 5
Зарегистрирован: 22 май 2013, 15:30

Re: Arduino управление двигателем 12В 7.5А изменением полярн

Сообщение Валентин »

Mr.Kubikus писал(а):Если требуется плавное регулирование скорости, то нужна плата с силовыми ключами и поддержкой ШИМ наподобие Monster Moto Shield. Если только вкл/выкл, то достаточно релюхи соответствующего номинала.
Скажите, готового решения с двумя реле под мой ток для Arduino у вас нет? Я на на сайте нашел вот такие железки: http://pacpac.ru/product/dfr0144-relay-shield/ , http://pacpac.ru/product/relay-module-a ... ompatible/ Они не сгодятся?
P.S. Вы можете помочь мне сформировать заказ?
Аватара пользователя
Mr.Kubikus
Сотрудник ПАКПАК
Сообщения: 1029
Зарегистрирован: 22 окт 2010, 23:57

Re: Arduino управление двигателем 12В 7.5А изменением полярн

Сообщение Mr.Kubikus »

К вашим требованиям ближе модуль Relay Module (Arduino Compatible). Однако, если использовать его без дополнительных защитных электрических цепей, то есть риск, что контакты будут подгорать при коммутации индуктивной нагрузки, через которую протекает большой ток. Что бы защитить контакты реле от перенапряжений обычно используют шунтирующие диоды:
Mechanical_relay_diode.jpg
Mechanical_relay_diode.jpg (37.72 КБ) 267715 просмотров
С уважением, Григорий
GitHub FB ВК
Валентин
Сообщения: 5
Зарегистрирован: 22 май 2013, 15:30

Re: Arduino управление двигателем 12В 7.5А изменением полярн

Сообщение Валентин »

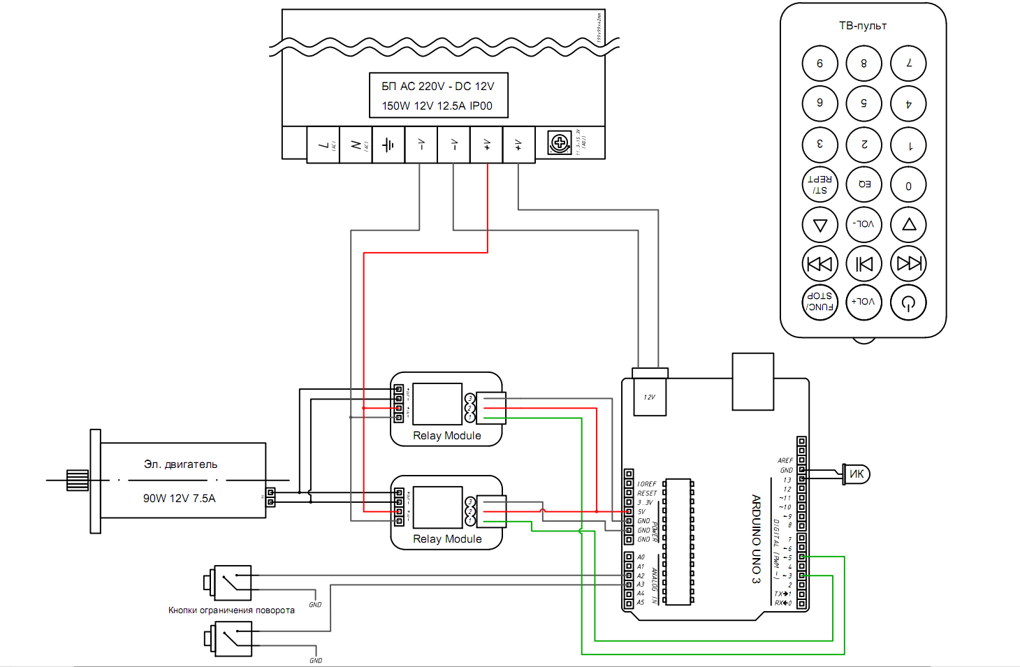
Посмотрите пожалуйста схемку. Так будет работать или, что то нужно добавить-изменить? За ранее извиняюсь за радионеграмотность)))
Вложения
1.png
(140 КБ) 37648 скачиваний
Аватара пользователя
Mr.Kubikus
Сотрудник ПАКПАК
Сообщения: 1029
Зарегистрирован: 22 окт 2010, 23:57

Re: Arduino управление двигателем 12В 7.5А изменением полярн

Сообщение Mr.Kubikus »

Есть пара моментов, которые взывают у меня вопросы:
- Почему две релюхи и почему их контакты соединенны параллельно?
- В качестве ИК приемника рекомендую использовать не отдельный фотодиод, а модуль приемника TSOP38238 со встроенный усилителем и формирователем импульсов TTL из набора Дистанционное управление ИК.
10266-01.jpg
10266-01.jpg (16.78 КБ) 267708 просмотров
С уважением, Григорий
GitHub FB ВК
Валентин
Сообщения: 5
Зарегистрирован: 22 май 2013, 15:30

Re: Arduino управление двигателем 12В 7.5А изменением полярн

Сообщение Валентин »

Mr.Kubikus писал(а):Есть пара моментов, которые взывают у меня вопросы:
- Почему две релюхи и почему их контакты соединенны параллельно?
- В качестве ИК приемника рекомендую использовать не отдельный фотодиод, а модуль приемника TSOP38238 со встроенный усилителем и формирователем импульсов TTL из набора Дистанционное управление ИК.
Вложение 10266-01.jpg больше недоступно
Потому, что я чайник. Если можно набросайте схему подключения с вашими деталями. Я прикрепил файл DWG.
Вложения
СУ_ЭД(+ -)12В_10А.rar
(67.16 КБ) 2176 скачиваний
Ответить