Электромагнитный клапан и Arduino

Обсуждаем Arduino, Raspberry Pi и другие электронные компоненты и проекты DIY
Ответить
Аватара пользователя
Mr.Kubikus
Сотрудник ПАКПАК
Сообщения: 1029
Зарегистрирован: 22 окт 2010, 23:57

Электромагнитный клапан и Arduino

Сообщение Mr.Kubikus »

Возможно ли использование с Arduino? Если да, то какое подключение?
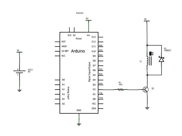
Подключить клапан к ардуино напрямую не получится т.к. выходы у контроллера слабые - максимальный ток 20 мА. Для управления клапаном можно использовать простую схему с транзистором и шунтирующим диодом для защиты от перенапряжений, возникающих при коммутации индуктивной нагрузки:
solenoid_sch.jpg
solenoid_sch.jpg (19.38 КБ) 46845 просмотров
Если паять влом, то можно использовать Motor Shield и вместо двигателя включить электромагнит.
С уважением, Григорий
GitHub FB ВК
Ответить