И вот опять наступает предновогодняя суета. Как и год назад, мне это не мешает творить!
На этот раз дело было так...
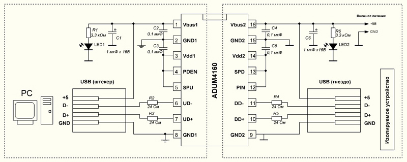
Для одного моего знакомого С. разрабатывал устройство для автомобиля (о самом устройстве расскажу в другой статье), с питанием от 12В. И вот, одним поздним зимним вечером сижу и корректирую код программы для ATmega328 с загрузчиком Arduino. Все устройство было собрано на макетной плате для монтажа без пайки. Питание 12В для основной части схемы взял от лабораторного блока питания HY1503D, а 5В для питания микроконтроллера взял из порта USB компьютера. В очередной раз заливаю скетч и тут одна из перемычек выскакивает и тут же гаснет компьютер.... Мое удивление сложно передать словами... Все равно что ответить на телефонный звонок и от этого погаснет свет в комнате. Детальное изучение показало - перемычка была от питания +12В и зацепила шину питания в +5В. В итоге все эти +12В долбанули в порт USB и в микроконтроллер. ATmega328 и кусок материнской платы компьютера (а именно звуковая карта) сразу превратились в безжизненные железяки. Считаю, что мне еще повезло, ведь i5 мог погореть или вся "мать". Призадумался я не на шутку. Порылся в сети... оказалось, все уже придумано и успешно используется - ГАЛЬВАНИЧЕСКАЯ ИЗОЛЯЦИЯ (оптоизоляция, гальваническая развязка и т.п.). И тут я плавно подхожу к теме... Существует отличная микросхема, предназначенная для изоляции USB порта компьютера от подключаемого устройства. Называется ADUM4160, держит аж 5кВ. Обвязка до смешного проста.
На изготовление ушло несколько часов с момента начала рисования схемы до момента заливки скетча.
Использование еще проще - подключаем к компьютеру (загорается LED1), подключаем устройство со своим питанием или питаем от внешнего источника на 5В (загорается LED2). Готово! Даже никаких дров ставить не пришлось. Подключил Arduino и скетч залился с первого раза!
Больше эксперименты без гальванической изоляции проводить не намерен.
На этом пока все. Дальше будет лучше...
Проект под кодовым названием "ИЗОЛЯЦИЯ"
Проект под кодовым названием "ИЗОЛЯЦИЯ"
Проживи эту жизнь счастливо и получи вторую в подарок!
- Mr.Kubikus
- Сотрудник ПАКПАК
- Сообщения: 1029
- Зарегистрирован: 22 окт 2010, 23:57
Re: Проект под кодовым названием "ИЗОЛЯЦИЯ"
Привет! Приятно видеть тут старых знакомых 
Полезная штука. Особенно при наладке всяких промышленных девайсов. Какой класс USB этот модуль поддерживает - 1, 2 или даже 3?

Полезная штука. Особенно при наладке всяких промышленных девайсов. Какой класс USB этот модуль поддерживает - 1, 2 или даже 3?
Re: Проект под кодовым названием "ИЗОЛЯЦИЯ"
ADUM4160 поддерживает USB 2.0
Проживи эту жизнь счастливо и получи вторую в подарок!