Выходы контроллера ROBO TX

Обсуждаем модели и конструкции, построенные своими руками
Ответить
Аватара пользователя
Mr.Kubikus
Сотрудник ПАКПАК
Сообщения: 1029
Зарегистрирован: 22 окт 2010, 23:57

Выходы контроллера ROBO TX

Сообщение Mr.Kubikus »

Выходы O1-O8
У контроллера ROBO TX имеется 8 универсальных выходов, которые обозначены на корпусе устройства символами O1-O8. К каждому выходу можно подключить нагрузку в виде лампочки, электромагнита, реле или мотора и управлять из программы этими устройствами. Расположение выходов выделено синей рамкой на картинке ниже:
robo-tx-outputs-1.png
robo-tx-outputs-1.png (27.5 КБ) 249390 просмотров
Каждый выход выполнен в виде электронной схемы с полупроводниковыми силовыми ключами MOSFET и работает в режиме ШИМ. Максимальный суммарный ток для всех выходов составляет 2А. Максимальный ток для одного выхода ограничен на уровне 1А. Таким образом, к контроллеру можно подключить 8 нагрузок, потребляющих 250 мА каждая, или 2 нагрузки по 1А.

ШИМ – Широтно Импульсная Модуляция – способ управления мощностью инерционных нагрузок, таких как моторы, электромагниты и лампы, путем частых подключений и отключений нагрузки к источнику питания. При этом частота переключений всегда постоянна, а изменяется только скважность (длительность) импульсов. Более подробно можно почитать в статье на нашем форуме и в википедии.

Для реверсивного управления нагрузками выходы O1-O8 можно объединить в группы по два выхода.

Группы выходов M1-M4
Путем объединения выходов можно получить четыре группы M1-M4 по два выхода на группу:
M1 = O1+O2
M2 = O3+O4
M3 = O5+O6
M4 = O7+O8
Обычно группы M1-M4 используются для подключения к контроллеру моторов, которыми требуется управлять в реверсивном режиме, т.е. обеспечивать смену направления вращения (влево и вправо).
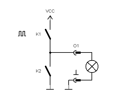
Каждый выход контроллера можно представить следующей упрощенной схемой:
robo-tx-outputs-sch-1.png
robo-tx-outputs-sch-1.png (5.16 КБ) 249390 просмотров
При объединении в группы получается схема, которая называется – «H-мост» :
robo-tx-outputs-sch-2.png
robo-tx-outputs-sch-2.png (6.64 КБ) 249390 просмотров
Электрическая схема такого соединения напоминает латинскую букву H. Более подробно об этой схеме можно почитать в википедии.

Программный интерфейс
Для управления выходами O1-O8 и группами M1-M4 в программах ROBO Pro используются следующие программные элементы.
Для O1-O8:
robo-pro-cmd-o1.jpg
robo-pro-cmd-o1.jpg (5.56 КБ) 249390 просмотров
Для M1-M4:
robo-pro-cmd-m1.jpg
robo-pro-cmd-m1.jpg (6.15 КБ) 249390 просмотров
С уважением, Григорий
GitHub FB ВК
StarPer_l
Сообщения: 33
Зарегистрирован: 07 дек 2012, 21:16

Re: Выходы контроллера ROBO TX

Сообщение StarPer_l »

Какова нагрузочная способность источника 5 вольт на разъеме Ext2?
Аватара пользователя
Mr.Kubikus
Сотрудник ПАКПАК
Сообщения: 1029
Зарегистрирован: 22 окт 2010, 23:57

Re: Выходы контроллера ROBO TX

Сообщение Mr.Kubikus »

В документации нигде нет информации об этом параметре. Может определить экспериментально?
С уважением, Григорий
GitHub FB ВК
StarPer_l
Сообщения: 33
Зарегистрирован: 07 дек 2012, 21:16

Re: Выходы контроллера ROBO TX

Сообщение StarPer_l »

А что нам говорит принципиальная схема?
Аватара пользователя
Mr.Kubikus
Сотрудник ПАКПАК
Сообщения: 1029
Зарегистрирован: 22 окт 2010, 23:57

Re: Выходы контроллера ROBO TX

Сообщение Mr.Kubikus »

Гдеж её взять-то?
С уважением, Григорий
GitHub FB ВК
StarPer_l
Сообщения: 33
Зарегистрирован: 07 дек 2012, 21:16

Re: Выходы контроллера ROBO TX

Сообщение StarPer_l »

1. А в собственной разработке предполагается наличие +5 вольт?
2. Будет ли полный аналог по входам/выходам с оригиналом?
Аватара пользователя
Mr.Kubikus
Сотрудник ПАКПАК
Сообщения: 1029
Зарегистрирован: 22 окт 2010, 23:57

Re: Выходы контроллера ROBO TX

Сообщение Mr.Kubikus »

1. А нужно 5В? Какой ток обеспечивать на этом выходе?
2. Предполагается полная совместимость по разъемам (конструктив) входов и выходов. Ну и кол-во тоже соответствующее.
С уважением, Григорий
GitHub FB ВК
StarPer_l
Сообщения: 33
Зарегистрирован: 07 дек 2012, 21:16

Re: Выходы контроллера ROBO TX

Сообщение StarPer_l »

1. Достаточно 0,5 ампера
2. Аналог на базе Atmega or ARM9?
Ответить